- 數字硫酸之硫酸裝置自動運行
數字硫酸系統由禮正來公司開發,旨在重新定義硫酸生產的控制流程,實現裝置管理的數字化、生產過程的智能化以及狀態的透明化。本文將探討硫酸裝置如何達成自動化的負荷指令運行、自動啟動、自動停車以及緊急停車。硫酸裝置的自動運行是數字硫酸系統的核心功能之一。這種自動運行模式已超越了傳統自動控制系統對技術人員操作的依賴。數字硫酸系統的自動運行功能允許實現無人值守的自動操作,僅需少量設備維護技術人員即可。通過數字硫酸自動運行系統,硫酸生產過程可以完全交由自動化技術來完成。
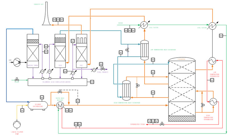
一、硫酸裝置工藝流程
大規模生產硫酸主要通過兩種方法:冶煉煙氣制酸和硫磺制酸。冶煉煙氣制酸利用冶煉過程中副產的二氧化硫(SO2),通過轉化反應釋放的熱量來維持系統所需溫度。在這一過程中,關鍵控制環節包括煙氣的凈化、二氧化硫的轉化以及三氧化硫(SO3)的吸收。另一方面,硫磺制酸則是通過燃燒液態硫磺產生二氧化硫,并釋放大量熱量,隨后利用余熱鍋爐移除煙氣中的熱量,產生過熱蒸汽。煙氣接著通過轉化器和吸收塔完成制酸過程。盡管煙氣制酸和硫磺制酸都采用相同的二氧化硫轉化和三氧化硫吸收工藝,但它們在原料生成和余熱鍋爐的使用上存在差異。冶煉煙氣制酸的凈化工藝控制流程中沒有危險化學反應和高溫高壓環境。相比之下,硫磺制酸在二氧化硫生成過程中會產生高溫煙氣和中壓過熱蒸汽,這使得其自動控制難度高于冶煉煙氣制酸。因此,本文所討論的硫酸裝置自動運行,是以硫磺制酸裝置為例進行闡述的。工藝流程圖見圖1

圖1
二、硫酸裝置自動運行
1.指令自動開車
自動開車指令涉及多個關鍵步驟,包括硫磺的焚燒、二氧化硫(SO2)的轉化、三氧化硫(SO3)的吸收以及余熱的回收利用。脫鹽水精制和液硫精制各自構成獨立的子系統。自動開車指令意味著裝置的各項工藝參數,例如溫度和壓力等,已經調整至滿足啟動要求,并且已經通過自動開車自檢程序,確認符合啟動條件。通過指令,風機得以啟動,硫磺的焚燒過程自動進行,同時自動控制裝置的負荷增長曲線,確保所有工藝參數均符合安全和環保標準。這一過程旨在平穩且經濟地完成啟動,隨后順利過渡到正常生產狀態,并實現自動運行。
2.指令自動運行
在啟動指令后,各層催化劑的轉化率達到了平衡狀態,余熱回收系統開始產出符合標準的蒸汽,吸收系統也產出合格的硫酸,標志著開車過程的完成。此時,裝置自動切換至指令自動運行模式。自動運行模式意味著裝置能夠自動適應外部環境和負荷的變化,自動調整運行工藝參數,以保持裝置在最經濟的狀態下運行。此外,裝置還具備關鍵控制點的儀表故障診斷功能,能夠有效預防因控制儀表故障而引發的安全事故。在負荷保持不變的情況下,如果環境溫度發生改變,裝置將通過在線分段轉化率分析儀系統來優化能源使用。當裝置與下游蒸汽消耗裝置配套運行時,可以將蒸汽負荷作為自動運行的指令。
3.指令停車緊急停車
在自動運行期間,裝置可能因外部環境影響、設備健康狀況或下游需求而需要執行計劃性停車檢修或緊急停車。裝置的指令停車遵循特定的邏輯順序,主要分為系統蓄熱停車和吹出停車兩種方式。蓄熱停車適用于裝置的短期檢修,而更長時間的檢修則確保焚硫爐及各層催化劑的溫度能夠滿足重新啟動的要求。吹出停車則用于創造干燥塔和轉化系統的檢修條件,旨在減少SO2和SO3的泄漏,從而降低對環境和檢修工作的干擾。至于緊急停車,它是在裝置面臨安全危機或核心設備發生故障時采取的緊急措施。
三、自動運行核心控制
1.指令開車核心控制
裝置啟動分為初始狀態和飽和狀態兩種情況。初始狀態啟動指的是裝置首次啟動或每次停車后進行熱吹降溫檢修,此時系統內不存在SO2和SO3,需要對系統進行加熱以建立余熱鍋爐的壓力。而飽和狀態啟動則是指裝置在運行期間因計劃性或緊急性停車檢修而未進行降溫處理,焚硫爐的溫度滿足噴磺條件,轉化系統中的各層催化劑溫度處于點燃范圍內,并且已經建立了余熱鍋爐的壓力。在初始狀態啟動時,裝置的各個設備仍處于膨脹和移動狀態,需要對各層催化劑進行溫度場的建立。余熱鍋爐則需建立水汽循環平衡。因此,初始狀態啟動相較于飽和狀態啟動需要更長的時間,本文主要介紹初始狀態啟動的核心控制要點。
2.指令自動運行核心控制
硫磺制酸的生產負荷通常保持穩定,僅在蒸汽負荷出現顯著波動時,才會對運行負荷進行調整。因此,自動運行負荷控制主要依據下游蒸汽需求負荷進行調節。當自動運行系統接收到下游負荷調整的指令后,會自動調整裝置的運行負荷。圖2展示了這種自動運行負荷控制的方式。蒸汽用戶W發出負荷指令,通過PID控制器輸出控制目標,調節硫磺F和空氣Q的流量。風磺比例器根據不同的負荷需求進行風磺分配,以實現最經濟的運行效率。通過轉化率φ的優化器調整當前負荷的風量,以達到最佳轉化率和經濟效益的平衡點。

圖2
3.指令停車和緊急停車核心控制
裝置停車涉及停止向系統輸送能源,包括“硫磺”和“風量”,同時確保裝置恢復至安全狀態。這一過程還包括關閉其他動力設備,例如“鍋爐上水泵”和“酸循環泵”。根據停車指令的不同,裝置停止的具體狀態也會有所差異。例如,正常停車指令可能要求對裝置進行保溫處理,或者需要進行吹掃操作,而應急停車則具有不同的停止功能。因此,停車控制可以細分為指令順序停車和應急停車兩種類型。
四、結語
硫磺制酸裝置的自動運行依賴于各個子系統的協同工作。為了確保裝置能夠實現自動啟動、穩定運行以及自動停止,必須精通各個階段的關鍵控制原理。通過運用先進的控制技術,在控制系統內構建相應的控制模型,可以對裝置在不同工作狀態下的行為進行精確控制,從而實現硫磺制酸裝置的全自動運行。


